泻火楼论坛一品楼凤qm楼论坛,北京梦雨楼论坛,xc8866茶楼 ,2025小姐威客信息最新动态

欢迎光临昂洋科技电子元器件一站式采购平台

免费样品| 产品指南| 网站地图| 0755-23775203 / 13530118607 18676777855
行业资讯

产品搜索

产品
  • 产品
  • 新闻
在这里输入类别或者型号,搜索您要查 找的产品

如何查看贴片电阻的功率?

作者: 昂洋-柯正发表时间:2020-11-09 17:41:53浏览量:5887

贴片电阻是电路板上应用数量最多的一种元件,形状为矩形,黑色,电阻体上一般标注为白色数字(小型电阻无标识,称无印字贴片电阻),变频器生产厂家在电路板上标注的元件序列号为R(如R1、R147等)。
文本标签:贴片电阻的功率

  贴片电阻是电路板上应用数量最多的一种元件,形状为矩形,黑色,电阻体上一般标注为白色数字(小型电阻无标识,称无印字贴片电阻),变频器生产厂家在电路板上标注的元件序列号为R(如R1、R147等)。贴片电阻的基本参数有标称阻值、额定功率、误差级别,另外还有最高使用电压、温度系数等,我们只需关注标称功阻值和额定功率值两项参数就可以了。

  换用电阻元件时,一看数字标注的电阻值,二看电阻的体积大小,符合二者条件时,即可代换。

  如果能清晰看出贴片电阻体上的数字标识,判断电阻值和功率值当然不存在问题??墒撬鸹档牡缱璞旧砦薇曜?,或已烧毁得面目全非,看不清标注呢?那么代换前的电阻值判断就要费一点周折了,而且也必须做到心中有数,才能做出下一步的修复。有哪些方法可以作出较为准确的判断呢?

贴片电阻的功率

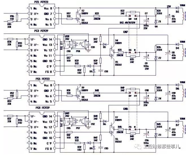
  一、参考本机型的相同电路中相对应元件的电阻值。变频器电路中的相同电路很多,如6路IGBT驱动脉冲传输通道,其中6个支路是完全一样的,从MCU脉冲信号输出引脚,至缓冲电路、至驱动IC,至IGBT的栅、射极电路。任何其中1路或数个支路中的电阻或其它元件损坏,可能参考未损坏支路中贴片元件的参数值,如无标识,可在电路板上测量确定或将元件焊脱电路板进行测定。3相输出电流(模拟信号)的传输通道,3个信号检测电路也是一般也是完全相同的,一路有损坏时,可能未损坏两路中的元件参数,确定损坏元件的参数值。

  如图所示,PC5与PC6两路驱动IC的外围电路的元件参数完全相同;PC3与PC8两路驱动IC的外围元件参数完全相同,R17=R51、R23=R48、R22=R49……,当PC3外围有元件损坏坏,可以“照搬”PC5相对应外围元件的参数值进行修复。

  同理,对晶体管二极管、IC芯片等其它元件的损坏,当无法确定损坏元件参数时,可以参照同类型电路元件的参数值进行代换修复。

  二、参考同类机型确定元件参数值。没有相同电路可能参考,也不能像上拉、下拉电阻一样可以大致“估算”出元件的参数,找到同类机型进行比对测量,也能确定损坏元件的参数值。

  三、调整试验得出元件的参数值。若无同类机型进行参考,需要费点力气测绘出该部分电路,搞明白损坏电阻在电路中的位置和具体作用,与其它元件的连接方法,“估算”出大致的电阻值,若仍无把握,将损坏电阻,暂时接入电位器,变频器上电,调整电位器进行试验,配合人工信号给定、后续电路对信号作出的反 应、面板显示等,测出电位器的电阻值,进而确定损坏电阻的参数。

  深圳市昂洋科技是拥有十多年的批发代理、生产、销售电容器,电感器,电阻器等产品的综合供应商;主要经营的产品有贴片电容,合金电阻,贴片电阻,二三极管,功率电感,高频电感,磁珠类市面主流的电子元器件,合作的品牌有村田、三星、国巨、TDK、风华等国际大型知名品牌,厂家直接进货,提供技术支持,对产品品质严格把控,欢迎您咨询与合作。

2020-11-09 5887人浏览